
P&ID-software
Lucidchart is een intelligente applicatie voor het maken van diagrammen waarmee je eenvoudig een P&ID maakt met versleepbare vormen, kant-en-klare sjablonen en meer.
Door te registreren ga je akkoord met onze Servicevoorwaarden en bevestig je dat je ons Privacybeleid gelezen hebt en begrijpt.

P&ID-software gemaakt voor ingenieurs

Je leidingsystemen en -processen visualiseren en begrijpen
Leidingontwerpers en elektrische, mechanische en procesingenieurs kunnen met onze gestroomlijnde P&ID-software gemakkelijk en accuraat leidingstructuren en andere gerelateerde componenten tekenen. Met een in Lucidchart gemaakt P&ID-diagram bied je je team een algemeen inzicht in je systeem, zodat zij het kunnen documenteren en bespreken, repareren, vervangen enzovoorts.

Selecteer een van onze technische sjablonen en pas het aan
Onze sjablonengalerij bevat diverse sjablonen voor P&ID-diagrammen waarmee je snel aan de slag kunt. Daarnaast heeft Lucidchart ook meer dan 900 diagramsjablonen die ingenieurs kunnen gebruiken bij al hun projecten. Onze galerij bevat sjablonen voor netwerkdiagrammen, UML- en ER-diagrammen, circuitdiagrammen en andere diagrammen die veel worden gebruikt om processen en structuren in kaart te brengen.

Standaardiseer je piping diagram met vormen en symbolen
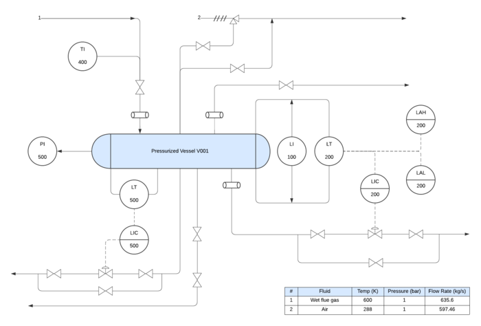
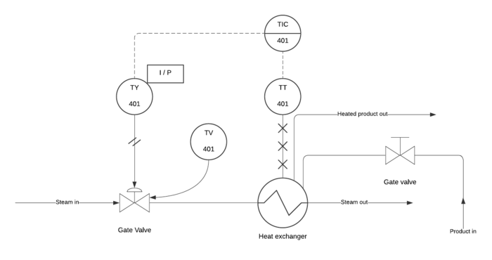
Creëer een consistente manier om je processen te communiceren met behulp van vormen die aansluiten bij de industrienormen. Onze software voor leidingontwerp bevat specifieke vormbibliotheken met alle symbolen en vormen die je nodig hebt voor het accuraat weergeven van de fysieke opeenvolgende onderdelen, zoals leidinginstrumenten, kleppen, warmtewisselaars, vaten, pompen en meer.

Je P&ID diagram gemakkelijk beheren, bijwerken en delen
Hoe ingewikkeld je proces of systeem ook is, in Lucidchart kun je je diagram opbouwen, opmaken, bewerken en delen zoals jij dat wilt. Presenteer je werk in onze presentatiemodus om je medewerkers betere inzichten te bieden dankzij de chatfunctie in de editor, realtime updates en integraties met de toonaangevende apps van nu, wat voor apparaat ze ook gebruiken.
In drie minuten de basisprincipes van Lucidchart beheersen

- Maak je eerste online flowchart met een sjabloon of leeg canvas of importeer een document.
- Voeg tekst, vormen en lijnen toe om je flowchart aan te passen.
- Leer hoe je de stijl en opmaak binnen je stroomschema kunt aanpassen.
- Vind wat je nodig hebt met functie zoeken.
- Deel je stroomdiagram met je team om samen te werken.
Gratis P&ID-sjablonen
Integraties met Lucidchart
Koppel Lucidchart aan je favoriete toonaangevende apps.

Ontdek waarom teams voor Lucidchart kiezen
Maak diagrammen, visualiseer gegevens en werk samen op één platform.

Samenwerking
Maak eenvoudig een P&ID op elk apparaat. Met Lucidchart kunnen teams overal ter wereld in realtime samenwerken. Verhoog de productiviteit dankzij samenwerking met je team en bereik je productdoelen.

Duidelijkheid
Lucidchart brengt helderheid in complexe dingen. Met intelligente diagrammen kunt je snel projecten en processen van het begin tot het einde visualiseren.

Afstemming
Ga voor afstemming met je team door samen te werken in dezelfde ruimte. Teken samen in realtime snel processen en ideeën uit, zodat je nooit iets over het hoofd ziet.

Samen beter
Het pakket voor visuele samenwerking van Lucid transformeert de manier waarop je werkt, van ideevorming tot projectafronding. Brainstorm en plan in Lucidspark en teken het vervolgens uit in Lucidchart. Maak een levendige blauwdruk van je organisatie.
Wat is een P&ID?
Een Piping & Instrumentation Diagram, of P&ID, toont de leidingen en gerelateerde onderdelen van een fysieke processtroom. Dit soort diagrammen wordt het vaakst gebruikt in de technische sector. P&ID's zijn een schematische weergave van de functionele verhouding van leidingen, instrumenten en systeemonderdelen, en worden gebruikt voor instrumentatie en beheer of automatisering. Een P&ID wordt gewoonlijk opgesteld door een ingenieur die een productieproces ontwerpt voor een fabriek of installatie.
Veelgestelde vragen over onze software voor het ontwerp van leidingsystemen
Welke gestandaardiseerde P&ID-vormen en -symbolen biedt Lucidchart?
We hebben een speciale vormbibliotheek met gestandaardiseerde, branchespecifieke P&ID-vormen plus handleidingen over het gebruik van P&ID-symbolen bij het bouwen van diagrammen.
Op welke andere manieren kunnen ingenieurs Lucidchart gebruiken?
Lucidchart biedt oplossingen voor netwerkingenieurs, procesingenieurs en iedereen daartussenin. We hebben gestandaardiseerde vormbibliotheken, sjablonen en import- en exportfuncties om ingenieurs inzicht te bieden in processen, structuren en verbindingen.
Hoe lang duurt het gratis proefabonnement?
Het proefabonnement van Lucidchart duurt 7 dagen, zonder verplichtingen. Annuleren kan op elk moment. Wij sturen je een herinnering via e-mail voordat je proefabonnement afloopt.


